Research Article, Vol: 14 Issue: 1
Performance, Emission, Vibration Investigation of Waste Chicken Fat Methyl Ester as Fuel and Diethyl Ether as Additive in IC Engine
Atul Elgandelwar*
Department of Mechanical Engineering, Maharashtra Institute of Technology, Pune, India
*Corresponding Author: Atul Elgandelwar
Department of Mechanical Engineering, Maharashtra Institute of Technology, Pune, India
E-mail: atulpavani@gmail.com
Received date: 15 February, 2024, Manuscript No. JNPGT-24-127647; Editor assigned date: 17 February, 2024, PreQC No. JNPGT-24-127647 (PQ); Reviewed date: 13 March, 2024, QC No. JNPGT-24-127647; Revised date: 28 March, 2025, Manuscript No. JNPGT-24-127647 (R); Published date: 04 April, 2025, DOI: 10.4172/2325-9809.1000435
Citation: Elgandelwar A (2025) Performance, Emission, Vibration Investigation of Waste Chicken Fat Methyl Ester as Fuel and Diethyl Ether as Additive in IC Engine. J Nucl Ene Sci Power Generat Technol 14:1.
Abstract
Biodiesel is becoming more popular because it is good for the earth and cheaper than diesel made from oil (B00). Acid esterification and base transesterification can be used to make biodiesel, which is a type of fuel made from chicken fat that would otherwise be thrown away. The chosen feedstock, chicken fat, was found to be inedible, to have a higher fatty acid value, to be easily available in our region at a lower cost and in large quantities and, most importantly, to be a waste product (i.e., CFO) that we are trying to turn into a value-added product called Chicken Fat Methyl Ester (CFME). The known standards of ASTM-6751-9b were used to describe the properties of the manufactured fuel, such as its density, viscosity, calorific value, flash point and fire point, among other things. Diethyl ether, which is also sometimes called DEE, was found to be a good solvent and an ingredient. The DEE also said that it would cut down on the amount of blend that was used, so it was added to the mixture of CFME and B00. The parts CB9DEE5, CB18DEE5, CB27DEE5, CB36DEE5 and CB45DEE5 were blended so that the mixes would be uniform. The B00 fuel is considered to be the normal fuel. All of the mixed fuels, including B00, were tried in a single-cylinder diesel engine under different loads, such as 3, 6, 9 and 12 kg. The experiment records were looked over and the results are shown below. This is where we talked about performance measures like BSFC and BTE, as well as pollution factors like HC, CO and NOx, among others. Compared to B00, the CB27DEE5 blend has a higher brake heat efficiency of 29.12% for a Compression Ratio (CR) of 17, while B00 only got to 28.29%. Also, the CB27DEE5 blend has led to a 36.95%, 13.48% and 16.07% drop in CO, HC and NOx emissions, respectively, for a CR of 17. The vibration study, on the other hand, showed that for CR 17, when the situation was set to full load, the amount of vibration went up by 182.3%. It was found that CB27DEE is the main blend that can replace B00% gasoline without making any changes to the engine.
Keywords: Chicken fat oil; Biodiesel; Dee; Trans esterification; Engine performance; Emissions; Engine vibration; Smoke opacity; Exhaust gas temperature
Abbreviations
CFO: Chicken Fat Oil; B00: Petroleum derived fuel; CFME: Chicken Fat Methyl Ester; CV: Calorific Value; CR: Compression Ratio; BSFC: Brake Specific Fuel Consumption; BTE: Brake Thermal Efficiency; HC: Hydrocarbon; CO: Carbon Monoxide; Nox: Nitrous Oxide
Introduction
Diesel is one of the most common fossil fuels utilized today. The ever-increasing cost of diesel is just one more indicator of how quickly our natural resources are being used up and this trend is only expected to accelerate. Biodiesel, a petroleum-free alternative to diesel fuel, is in high demand due to its environmental benefits and lower price tag [1]. Biodiesel made from animal fat and vegetable oil, is one such alternative fuel that is proving to be an efficient substitute for diesel. There is a large quantity of fat that came from chickens but was thrown away. It's a cheaper alternative to virgin vegetable oils and readily accessible. It has the potential to be used as a feedstock for producing high-quality biodiesel from chicken fat [1]. The Indian government reports that each year, the country throws away about 700,000 metric tons of edible chicken. The availability of waste fat from chicken production, estimated at 77,000 metric tons is reason for serious worry [2]. The biodiesel's feedstock determines whether or not it can be produced profitably. It typically incurs additional costs for the producer (up to 80% of output). The agriculture industry is the backbone of the biodiesel industry. The availability of a wide range of feed stocks is essential to the continuous operation of the industry throughout the year. That is, the biodiesel business couldn't expand with only one source of raw materials. This necessitates the exploration and identification of numerous feed stocks’ prior to commercialization. Feed stocks are chosen for their non-edible qualities, such as high acid value (to prevent them from competing with edible oil), cheap price and high availability. Oils from plants including Ratanjot, Pongamia, Mahua, Nahar, Callophyllum, Citrullus, Bhehada, used vegetable oil, palm acid oil, used fish oil, used algae oil, etc. are now in use [3]. The collection and oil extraction from the plant based tree seeds increases the cost of production and all are available once in a year only. That’s why there is a need to search for the substitute to the vegetable oils or plant oils. The second important factor is waste disposal; the owners of slaughters houses have a major problem of disposal of waste. The skin of chicken, feather and other waste usually is discarded to river side, so it affects the water and air quality and disturbs the biodiversity. In some areas the waste chicken fat is consumed by the poor people’s that further creates the problem of digestive system. Considering all these problems waste chicken fat was studied further for synthesis of biodiesel. So, the waste material is converted to value added good that simultaneously helps to diminish disposal problem and contribute to the nation’s bio fuel policy.
The consumption of chicken is increasing in countries like India, where it is widely available. It generates a significant number of lipids on a daily basis, which may afterwards be put to use by the biodiesel industry for the purpose of commercialization. When compared to the performance of the engine when it is run on B00, the performance of the engine when it is run on rendered animal fat methyl ester is comparable and as a result, it is possible to contemplate using it in the engine without modification in direct injection for a lower blending % [3]. Due to the lower Calorific Value (CV) of biodiesel in comparison to B00 fuel, the addition of rendered animal derived fat methyl ester fuel causes a fall in BTE while simultaneously leading to an increase in BSFC. When the blending % was reduced, the CO and NOx emissions were found to be lowest when the exhaust temperature was greatest [4]. In every mode of mixed fuel testing, the NOx emission was significantly greater when compared to the B00 baseline value. This is due to the presence of a substantial proportion of oxygen content in the CFME mix, which results in proper combustion and allows for the cylinder temperature to be raised to its maximum. Both BSFC and BTE were found to be greater than B00 under maximum load circumstances when chicken fat was used as the source of the biodiesel [4].
Pzneel, et al., have produced their respective methyl esters using chicken fat in addition to hog fat in their experiments. They removed its fat by cooking it in a pressure cooker at a temperature of 100 degrees celsius for thirty minutes. After the fats had been removed, they were filtered and esterified with HCL at a ratio of 1:6 and at a temperature of 60 degrees Celsius for two hours. After that, as a homogeneous base catalyst, 1% by weight of Potassium Hydroxide (KOH) was added to the alkali-catalyzed transesterification process. The reply was finished in a total of 90 minutes. The finished biodiesel was put through a last round of purification and settling before being subjected to EN14241 standard testing. He recorded a conversion rate of 99.8 percent of CFO into CFME. The viscosity of the substance was 3.225 m2/s and its flash point and fire point were 370 K and 350 K, respectively [5]. Atilla, et al. carried out research on chicken fat skin with the purpose of transforming it, with the assistance of a transesterification process, into the appropriate biodiesel. The biodiesel that was manufactured met the requirements of the ASTM standard. They ran a diesel engine with biodiesel and various mixes and combinations of biodiesel. In this research, a novel and ecofriendly technique for creating biodiesel manufacturing technology from feather waste produced in the chicken sector is outlined. The synthesis of biodiesel from chicken feather meal by the transesterification technique with the use of catalysts such as methanol and potassium hydroxide has resulted in 88.5% biodiesel being produced. Gas Chromatography Mass Spectroscopy (GC-MS) analysis was used to determine the levels of the fatty acids and the results showed that the myristic content was 31%, palmitic content was 30%, stearic content was 22%, oleic content was 8.1% and linoleic content was 3%. The biodiesel's viscosity, which is a significant element that determines how easily it flows, ranged from 3.5 to 5.0 mm/s. The chicken feather biodiesel had a flash point of 120 degrees celsius and a cetane number of fifty [6]. Mohiddin, et al., were able to effectively use the CFO to convert it into the CFME by using 0.5% KOH in a 1:4 molar ratios for 60 minutes at 60 degrees Celsius. This resulted in a conversion rate of 98%. The FTIR analyzer was utilized in order to investigate the conversion. In later experiments, he combined CFME with B00 in the proportions of 20%, 30%, 40% and 50% respectively and ran the mixture through a diesel engine. He noted that the performances of all blends (such as BSFE, BTE, BP, etc.) were quite comparable to those of B00. According to the BSFC's findings, sales of the mixes B40% and B50% grew. This is as a result of the decreased CV and increased density of CFME [7].
Esterification and transesterification process were used by Chavan, et al., in order to produce CFME for synthesis. The variables of the reaction, including the catalyst percentage, the molar ratio (oil to alcohol), the reaction duration, the temperature and the agitation intensities, were investigated. The fatty acid profile of chicken fat oil (also known as CFO) was examined using GC-MS and the researchers came to the conclusion that CFO included 50%-50% saturated and unsaturated fats in the form of linoleic, palmitic, palmitoleic and stearic acid. This is the reason that CFO is solid while it is at room temperature. The author carried out the esterification reaction twice to bring the acid value down and then proceeded to carry out the transesterification reaction, which resulted in a 98.9% conversion in CFME. This was achieved with the assistance of 0.8% by weight of KOH (as a catalyst), an 8:1 molar ratio and 60 ± 5°C temperature, 60 minutes and 680 rpm agitation intensity respectively. The CFME that was synthesized met the prerequisite specifications set out by EN 14241 and ASTM 6751-9b. In the end, they came to the conclusion that taking into account the cheap cost and the conversion of waste CFO to production that added value, i.e., CFME, it will be the best source as a fuel in the year to come. CFME blends have a longer delay in ignition during the combustion process because they have a greater density, flash point and viscosity. This is also responsible for the delay in ignition. During the process of mixing biodiesel with B00, an oxygenated ingredient such as Diethyl Ether (DEE) was introduced so that this issue could be resolved [6].
This research is an expansion of the prior work that was published by Chavan and co-authors. The primary purpose of our experiment was to determine whether or not the principle blend provides superior performance (BP, BTE, BSFC) while producing the fewest hazardous emissions (CO, CO2, HC, NOX). The oxidizing agent DEE was utilized as an addition in order to raise the level of CFME's solubility and bring its density to a lower value, respectively. The blending of CFME with B00 and DEE has not yet been published and the vast majority of research publications only offer data on performance and emissions. In addition, the smoke opacity and exhaust gas temperatures of mixed fuels have not yet been fully recorded under a variety of CR and load settings.
Materials and Methods
Preparation of CFME by trans esterification reaction
The residual fat derived from chicken was heated in a microwave oven for approximately 20 minutes to extract the oil. The oil extracted from chicken that contained water was stored and heated to 100 degrees celsius to remove the water.
With the help of titration, the acid value of the waste CFO was found to be 22.00 mg KOH/gm, which is the same as 13.8% free fatty acid. At this point, you can't directly change CFO into CFME. By using the acid catalyst in the esterification process, the amount of free fatty acid was cut by less than 5%. The methanol was used as a solvent and the sulfuric acid was used as an acid catalyst. The molecular weight of chicken fat was found to be 934 g/mol. The dry CFO waste was put into the reactor, which had a condenser, a temperature regulator and a device that stirred the mixture. The process was done twice to lower the fatty acids with 0.7% by weight of H2SO4 and an 8:1 molar ratio of alcohol to oil at a temperature of 60°C ± 5°C with 650 rpm of stirring for 90 minutes. After the temperature reached 60 C, the esterified oil was used in a base transesterification process. Figure 1 shows the reaction factors, such as 0.8% KOH by weight, an 8:1 molar ratio of alcohol to oil, 60°C ± 5°C and 650 rpm of stirring for 90 minutes. After letting the reaction mixture rest for a day, it was split into two layers. The bottom layer was then taken off because it had glycerol and other impurities. The top layer, which was CFME, was then washed with hot distilled water and made clean. You can read about the whole production process in our older piece, which explains how to optimize the production of CFO into CFME [8].
M. Kirubakaran, et al., said that the CFME that was made met the standards of ASTM 6751-9b. Then it was worked on so that it could be mixed with B00 and DEE (Figure 1).
Figure 1: Transesterification process
Preparation of blends of CFME with B00 and DEE
Blends of CFME, B00 and DEE were made in a homogenizer with a motorized stirrer and a temperature monitor. The mix CB09DEE5 was made by putting 86% of B00 in a homogenizer and heating it to 40°C. Then 5% DEE was added and mixed for 8 minutes. Finally, 0.9% CFME was added and mixed for 20 minutes. B00 and DEE have smaller densities than CFME. The highly dense CFME was put last to the mixture of B00 and DEE. The basics of mixing % are listed below.
B00=100% fossil diesel fuel
CB09DEE5=86% B00+09% CFME+5% DEE
CB18DEE5=77 % B00+18% CFME+5% DEE
CB27DEE5=68% B00+27% CFME+5% DEE
CB36DEE5=59% B00+36% CFME+5% DEE
CB45DEE5=50 % B00+45% CFME+5% DEE
The quality analysis of blended fuel is reported in Table 1.
| Chicken derived fat oil biodiesel blends | Density | CV (Cal. Val) | Viscosity | Flash point | Fire point |
|---|---|---|---|---|---|
| Unit | gm/cc | MJ/kg | mm2 sec | â?? | â?? |
| B00 | 0.83 | 42.5 | 2.7 | 64 | 71 |
| CB09DEE5 | 0.834 | 42.4 | - | 76 | - |
| CB18 DEE5 | 0.836 | 42.22 | - | 84 | - |
| CB27 DEE5 | 0.838 | 42.1 | 2.96 | 90 | 103 |
| CB36 DEE | 0.84 | 42.01 | - | 109 | - |
| CB45 DEE | 0.841 | 41.9 | - | 117 | - |
Table 1: Properties of blended fuels.
Experimental setup
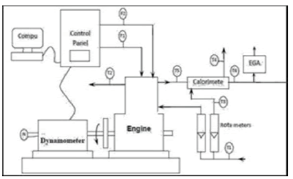
A diesel engine with a single cylinder, four-stroke configuration, water cooling and a power output of 3.5 KW at 1500 rpm was employed to conduct performance and emission tests on various samples. The engine included an exhaust gas analyzer and possessed a bore diameter of 87.5 mm and a compression ratio of 17.5. Initially, the biodiesel mix that meets the necessary specifications is introduced into the fuel tank and the circulation of cooling water is provided for both the eddy current dynamometer and the engine. The engine started operation without undergoing a loading process for duration of 10 minutes, during which it made necessary adjustments to null records and observations. The performance and emissions of the system were measured at regular intervals of 3 minutes while applying weights ranging from 3 to 9 kg using a rotating dynamometer loading unit. The aforementioned procedure is iterated in order to get three measurements for each mix, corresponding to the specific load. Subsequently, the burden was reduced to zero. The data were documented for the purpose of performance evaluation, specifically for SFC (Specific Fuel Consumption), BTE (Brake Thermal Efficiency) and ME (Mechanical Efficiency). Additionally, measurements were taken for emissions parameters such as CO (Carbon Monoxide), HC (Hydrocarbons) and CO2 (Carbon Dioxide)[9,10].
The experimental setup is depicted in Figure 2, while the specifications are provided in Table 2.
Figure 2: Experimental setup.
F1-Fuel consumption
F2-Air consumption
F3-Cooling water flow through engine
F4-Water flow through calorimeter
T1-Cooling water inlet temperature of engine
T2-Cooling water outlet temperature of engine
N-RPM
W-Load
T3-Water inlet temperature through calorimeter
T4-Water outlet temperature through calorimeter
T5-Exhaust gas temperature at calorimeter inlet
T6-Exhaust gas temperature at calorimeter outlet
| Manufacturer | XXXX Ltd., India |
|---|---|
| Type of engine | Direct injection diesel engine |
| No. of strokes | Four stroke |
| Number of cylinders | Single cylinder |
| Cooling | Water cooled |
| Engine speed | 1500 RPM, constant |
| Rated power | 3.5 kW @ 1500 |
| Bore diameter | 87.5 mm |
| Stroke length | 110 mm |
| Connecting rod length | 234 mm |
| Type of loading | Eddy current dynamometer |
| Method of starting | Manual cranking |
| Compression ratio | 12 : 1 to 18:1 |
| Dynamometer arm length | 185 mm |
| Orifice diameter | 20 mm |
Table 2: Specifications of gas analyzer.
The exhaust gas analysis was conducted using the I3SYS EDM 1601 smoke meter. The device possesses the capability to quantify four distinct exhaust gas emissions, specifically Carbon Monoxide (CO), Hydrocarbons (HC), Nitrogen Oxides (NOx) and Carbon Dioxide (CO2). The specifications of the gas analyzer are shown in Table 3.
| Make | Indus | |
|---|---|---|
| Exhaust gas | Range | Resolution |
| CO | 0-15.0% | 0.01% |
| HC | 0-15000 ppm | 1 ppm |
|
NO |
0-5000 ppm |
1 ppm |
Table 3: INDUS exhaust gas analyser.
Results and Discussion
Properties of blended fuels
Table 1 summarizes the quality analysis of all mixed fuel and B00. The density is defined as the mass per unit volume, which for B00 is 0.830 gm/cc, but CFME mixed fuels have greater values of 0.834, 0.836, 0.838, 0.840 and 0.841 gm/cc. With the addition of biodiesel to the mix, the masses of all blended fuels discovered rose. The presence of steric acid (a form of saturated fat) in CFO and CFME is the most crucial factor in this. The same rationale accounts for the restricted usage of such biodiesel in the winter zone. Still, in this scenario, the inclusion of DEE helps the fuel burn completely. Because density is directly related to viscosity, it is expected to be more than 2.96 mm2/(for B00). The CV is an important metric that plays a significant impact during fuel combustion. For various mixes, it is given as 42.50, 42.40, 42.22, 42.10, 42.01 and 41.90 MJ/kg observed B00. The flash point is an indication of fuel ignition temperature, which was found to be 64.00, 76.00, 84.00, 90.00, 109.00 and 117.00 0c for all samples. The fire points for B00 and CB27DEE5 were reported to be 71.00°C and 103.00°C, respectively and all mixed fuels meet the ASTM 6751 requirements [11].
Performance parameter
Brake specific fuel consumption: The BSFC is the amount of fuel used per unit break power. It is assumed that the engine should use the least amount of fuel while putting out the most energy at the given rate. Figures 3 and 4 shows the difference between BSFC and the loads at CR 17 and CR 18 in comparison. With B00, it's easy to see that BSFC for all mixed fuels is higher. When looking at all mixes, the BSFC for CB27DEE5 was found to be at least 0.3 kg/kWh and 0.32 kg/kWh at CR 17 and 18, respectively. More fuel is used at higher blends, smaller blends and higher CR. The trend for BSFC to go up is caused by a bigger CR. The tendency to raise BSFC is caused by bigger masses of fuel, lower CV and lower volatility of mixed fuel. Here, DEE helped lower the mass and viscosity of the fuel, which increased the ignition rate of the blended fuel. Based on earlier literature, if we only mixed CFME and B00 (without adding DEE), we would get the highest BSFC, but in our case, the BSFC of all blended fuels was very close to or the same as the BSFC of B00. The results were backed up by Dash, et al. [12].
Figure 3: BSFC vs. load at CR 17.
Figure 4: BSFC vs. load at CR 18.
In this study, the BTE of a research diesel engine was estimated for different biodiesels made from chicken fat that were mixed with diethyl ether to improve performance at Compression Ratios (CR) 17 and 18. Figures 5 and 6 show how the Brake Thermal Efficiency (BTE) changes with the load for diesel fuel, biodiesel blends with diethyl ether as an addition CB09DEE5, CB18DEE5, CB27DEE5, CB36DEE5 and CB45DEE5. It shows that BTE goes up as the load on the engine goes up. This is because when the load goes up, heat loss goes down and power goes up. So, the graph shows that the blend CB27DEE5 (29.12% and 28.92%) has the best thermal efficiency for brakes at full load and CR values of 17 and 18, which is better than solid diesel fuel (28.29% and 28.71%). Compared to CB27DEE5, the low BTE is because the calorific value has gone down and the amount of fuel used has gone up.
Figure 5: BTE vs. load at CR 17.
Figure 6: BTE vs. load at CR 18.
Emission characteristics
Carbon monoxide emissions: The CO emissions show that the fuels were not burned all the way. This is because there isn't much or any air in the combustion area. Figures 7 and 8 show CO emissions from all sources at CR 17 and CR 18. Blends of biodiesel made from chicken fat have a lot of air, so CO and CR emissions go down as the load goes up [14]. Compared to B00, CB45DEE5 puts out 36.95% and 33.06%less CO at full load and at both CRs. Jabade, et al., agreed with the results.
Figure 7: CO content vs. load at CR 17.
Figure 8: CO content vs. load at CR 18.
Hydrocarbon emissions: Biodiesel made from waste chicken fat has fewer hydrocarbons than fossil diesel fuel. HC emissions happen when fuel isn't burned well enough. As the load goes up, so do the hydrocarbon emissions. During the pollution test, it was seen that adding biodiesel mixes made from chicken fat made the hydrocarbon emissions go down. This is because the fuel is burned all the way up. The blend CB27DEE5 has the least amount of HC emissions compared to other mixes. When compared to natural diesel fuel, HC emissions are 13.48% and 8.03% lower at full load at CR 17 and 18, respectively. The emission test shows that the amount of HC going out goes up as the load goes up (Figures 9 and 10). Gaikwad, et al. also agreed with the findings [15].
Figure 9: HC vs. load at CR 17.
Figure 10: HC vs. load at CR 18.
Nitrogen oxides emissions: Nitrogen Oxides (NOx) are made based on the temperature of the combustion chamber, the time of the input and the amount of air and fuel in the mixture. It was found that when chicken fat oil was mixed with fossil fuel at a rate of 5% diethyl ether as an ingredient, the amount of carbon and hydrogen in the mixture went down. This had the added benefit of lowering NOx emissions. The lines show the relationship between different engine loads and the amount of NOx released at CR 17 and 18. It has been found that as mixing gets better, NOx emissions go down. At full load, the blend CB45DEE5 reduces NOx by 16.07% at CR 17 and by 14.45% at CR 18 (Figures 11 and 12). Dash et al., agreed with the results [16,17].
Figure 11: NOx vs. load at CR 17.
Figure 12: NOx vs. load at CR 18.
Vibration analysis
Vibration research is one of the most important parts of this study because the chicken fat-based fuel blend has a big effect on the engine when it is mixed with diethyl ether. Researchers look at how the engine shakes at different compression ratios 17 and 18. Figures 13 and 14 show how the RMS acceleration of shaking along the Zdirection of the engine changes with engine load for all blends made from chicken fat. Because most of the piston movement is in the Z direction, waves in the X and Y directions are not as strong as those in the Z direction. When the engine is loaded up to 12 kg, all of these noises get worse. This could be because fuels build up more pressure as the engine works. From these graphs, it is also clear that when CFBD fuels are used, the engine shakes more than when fossil diesel is used. This is because oxygenated biodiesel fuel results in full and effective combustion and also increases the premixed combustion time because combustion starts early. From the graph, we can see that the engine shaking of CB45DEE5 goes up by 182.3 and 173.05%, respectively, at full load when the compression ratio is 17 and 18. For blends, engine shaking goes down as follows: CB36DEE5 128.30%, 130.08%, CB27DEE5 117.27%, 77.54%, CB18DEE5 69.11%, 63.47%, CB09DEE5 41.81%, 35.62% at full load of 12 kg and compression ratios 17 and 18.
Figure 13: RMS acceleration vs. load at CR 17.
Figure 14: RMS acceleration vs. load at CR 18.
Smoke opacity
The variation of smoke opacity (OP) with respect to compression ratios for various mixtures is depicted in Figures 15 and 16. The OP increased as the load increased because more fuel was burned to satisfy the increased power demand, resulting in a greater proportion of unburned air-fuel mixture. Maximum OPs observed were 74, 73, 72, 70, 69 and 66 HSU at full load for CB45DEE5, CB36DEE5, CB27DEE5, CB18DEE5, CB09DEE5 and B00 respectively when operated at 17 CR. When operated at 18 CR, the minimum OPs for CB45DEE5, CB36DEE5, CB27DEE5, CB18DEE5, CB09DEE5 and B00 were 73, 72, 71, 69, 68 and 65 HSU, respectively. WCFOME contains low-volatility components that burn during the late combustion phase, which would have resulted in a greater proportion of unburned fuel mixture at higher biodiesel ratios compared to mineral diesel. Inadequate atomization caused by a higher viscosity than fossil diesel would have contributed to an increase in opacity for higher WCFOME and fossil diesel mixtures. All blends' opacity decreases as the compression ratio increases, as the operational temperature rises when the engine operates at a higher compression ratio, which enhances the combustion process.
Figure 15: Smoke opacity vs. load at CR 17.
Figure 16: Smoke opacity vs. load at CR 18.
Exhaust gas temperature
The temperature of exhaust gas decreases as the blending percentage increases. Observations from a performance test on a CB45DEEblended engine indicate a decrease of 15.49°C and 17.05°C at maximum capacity for compression ratios of 17 and 18, respectively, compared to fossil diesel fuel B00. The CB09DEE5 and CB18DEE5 mixtures exhibit a slight temperature decrease of 4.78°C, 5.72°C and 0.5°C, 1.47°C at maximum load for compression ratios of 17 and 18, respectively. With higher blending percentages CB27DEE5, CB36DEE5, the temperature decrease at maximum load increases by 9.9°C, 13.22°C and 1.98°C, 5.75°C for compression ratios 17 and 18, respectively. Exhaust gas temperature versus load is plotted on the graph for a higher blending ratio (Figures 17 and 18) [16, 17].
Figure 17: Exhaust gas temperature vs. load at CR 17.
Figure 18: Exhaust gas temperature vs. load at CR 18.
Conclusion
The thermal efficiency of brakes improves as load increases. The results of the tests showed that the blend CB27DEE5 had a brake thermal efficiency of 29.12% at full load and of 28.92% at CR 17 and 18; the corresponding figures for fossil diesel were 28.29% and 28.71%. At full load, the CB27DEE5 mix improves mechanical efficiency by 3.23 and 2.87 percentage points, for CR 17 and 18, respectively. Research into emission characteristics reveals that CB45DEE5 greatly reduces CO emissions, by 36.95% at full load for CR 17 and by 33.06% at full load for CR 18. The blend CB27DEE5 demonstrated a 13.48% and 8.03% decrease in HC emissions. The blend CB45DEE5 was shown to lower NOx emissions by 16.07% and 14.45% at full load for CR 17 and CR 18, respectively. The oxygenated ingredient is to blame for this. CB45DEE5 engine vibrations at full load rise by 182.3 percent for a compression ratio of 17 and 173.05 percent with a compression ratio of 18. Increasing the load results in a higher OP since more fuel must be used to generate the necessary amount of power. At 17 CR, the highest observed OPs for the CB45DEE5, CB36DEE5, CB27DEE5, CB18DEE5, CB09DEE5 and B00 were 74, 73, 72, 70, 69 and 66 HSU, respectively, at full load. At 18 CR, the minimum OPs for the CB45DEE5, CB36DEE5, CB27DEE5, CB18DEE5, CB09DEE5 and B00 were 73, 72, 71, 69, 68 and 65 HSU, respectively. As the amount of blended fuel increases, the temperature of the exhaust gas decreases. At maximum load, the temperature of an engine running on a mix of CB45DEE is reported to decline by 15.49°C compared to an engine running on fossil diesel fuel B00 and by 17.05°C compared to a compression ratio of 18.
References
- Kirubakaran M, Selvan VA (2018) A comprehensive review of low cost biodiesel production from waste chicken fat. Renew Sustain Energy Rev 82: 390-401.
- Mehta R, Nambiar RG (2007) The poultry industry in India. InPaper delivered at the FAO Conference on â??Poultry in the 21st Century. 5-7.
- Jabade S, Sakthivel M, Chavan S (2020) Bio-diesel as an alternative fuel for compression ignition engine: A review. Int J Adv Sci Res 29: 18-28.
- Oner C, Altun S (2009) Biodiesel production from inedible animal tallow and an experimental investigation of its use as alternative fuel in a direct injection diesel engine. Appl Energy 86: 2114-2120.
- Selvam DJ, Vadivel K (2012) Performance and emission analysis of DI diesel engine fuelled with methyl esters of beef tallow and diesel blends. Procedia Eng 38: 342-358.
- Guru M, Koca A, Can O, Cınar C, Sahin F (2010) Biodiesel production from waste chicken fat based sources and evaluation with Mg based additive in a diesel engine. Renew Energy 35: 637-643.
- Chavan SB, Yadav M, Singh R, Singh V, Kumbhar RR, et al. (2017) Production of biodiesel from three indigenous feedstock: Optimization of process parameters and assessment of various fuel properties. Environ Prog Sustain Energy 36: 788-795.
- Dâ??Alessandro B, Bidini G, Zampilli M, Laranci P, Bartocci P, et al. (2016) Straight and waste vegetable oil in engines: Review and experimental measurement of emissions, fuel consumption and injector fouling on a turbocharged commercial engine. Fuel 182: 198-209.
- Palash SM, Masjuki HH, Kalam MA, Atabani AE, Fattah IR, et al. (2015) Biodiesel production, characterization, diesel engine performance and emission characteristics of methyl esters from Aphanamixis polystachya oil of Bangladesh. Energy Convers Manag 91: 149-157.
- Chavan SB, Kumbhar RR, Madhu D, Singh B, Sharma YC (2015) Synthesis of biodiesel from Jatropha curcas oil using waste eggshell and study of its fuel properties. RSC Adv 57: 63596-63604.
- Dash SK, Lingfa P, Chavan SB (2018) An experimental investigation on the application potential of heterogeneous catalyzed Nahar biodiesel and its diesel blends as diesel engine fuels. Energy Sources, Part A: Recovery, Utilization and Environmental Effects 40: 2923-2932.
- Pugazhvadivu M, Rajagopan S (2009) Investigations on a diesel engine fuelled with biodiesel blends and diethyl ether as an additive. Ind J Sci Technol 2: 31-35.
- Chavan SB, Kumbhar RR, Kumar A, Sharma YC (2015) Study of biodiesel blends on emission and performance characterization of a variable compression ratio engine. Energy Fuels 29: 4393-4398.
- Bobade S, Gaikwad P, Senthilkumar G, Kumbhar R (2020) To study the impact of emissions of methyl esters blends in diesel engine. InTechno-Societal 2018: Proceedings of the 2nd International Conference on Advanced Technologies for Societal Applications.
- Dash SK, Chavan SB, Kumar A, Ahamed MS, Lingfa P (2020) Jatropha biodiesel blends as renewable diesel fuel additives. Bioresource Utilization and Bioprocess 2020: 93-105.
- Roh HG, Lee D, Lee CS (2015) Impact of DME-biodiesel, diesel-biodiesel and diesel fuels on the combustion and emission reduction characteristics of a CI engine according to pilot and single injection strategies. J Energy Inst 88: 376-385.
- Ravi M, Kumar KV, Murugesan A (2015) Certain investigations on the performance of emission, vibration and noise characteristics of CI engine using bio gas and bio diesel as alternate fuel. 8: 11-19.
Spanish
Chinese
Russian
German
French
Japanese
Portuguese
Hindi 


















